全國免費咨詢熱線:17317317121(微信同號)
JNH型橡膠減震器
來源:上海松夏減震器有限公司????發布時間:2019-06-27 14:19

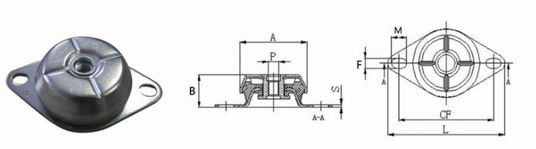
JNH型橡膠減震器產品結構圖:
| 型號 | 橡膠硬度 IRHD (daN/mm) | A | B | P | F*M | CF | L | S | Average Stiffness平均值負荷(Kg/mm) | Max Load最大荷重(Kg) | Max Deflec.最大壓縮量(mm) |
| JNH633008W | 45 | 63 | 30 | M8 | 9*14 | 89 | 110 | 2.5 | 70.0 | 140.0 | 2.0 |
| JNH633008M | 60 | 120.0 | 240.0 | 2.0 | |||||||
| JNH633010W | 45 | 63 | 30 | M10 | 9*14 | 89 | 110 | 2.5 | 70.0 | 140.0 | 2.0 |
| JNH633010M | 60 | 120.0 | 240.0 | 2.0 | |||||||
| JNH783010W | 45 | 78 | 30 | M10 | 9*12 | 110 | 135 | 2.5 | 47.0 | 108.0 | 2.3 |
| JNH783010M | 60 | 116.0 | 267.0 | 2.3 | |||||||
| JNH783012W | 45 | 78 | 30 | M12 | 9*12 | 110 | 135 | 2.5 | 47.0 | 108.0 | 2.3 |
| JNH783012M | 60 | 116.0 | 267.0 | 2.3 | |||||||
| JNH833010W | 45 | 83 | 30 | M10 | 9*13 | 110 | 135 | 3 | 65.0 | 195.0 | 3.0 |
| JNH833010M | 60 | 98.0 | 294.0 | 3.0 | |||||||
| JNH833012W | 45 | 83 | 30 | M12 | 9*13 | 110 | 135 | 3 | 65.0 | 195.0 | 3.0 |
| JNH833012M | 60 | 98.0 | 294.0 | 3.0 | |||||||
| JNH923510W | 45 | 92 | 35 | M10 | 10*15 | 124 | 150 | 3 | 50.0 | 175.0 | 3.5 |
| JNH923510M | 60 | 90.0 | 315.0 | 3.5 | |||||||
| JNH923512W | 45 | 92 | 35 | M12 | 10*15 | 124 | 150 | 3 | 50.0 | 175.0 | 3.5 |
| JNH923512M | 60 | 90.0 | 315.0 | 3.5 | |||||||
| JNH1063812W | 45 | 106 | 38 | M12 | 13*19 | 143 | 175 | 4 | 70.0 | 252.0 | 3.6 |
| JNH1063812M | 60 | 150.0 | 450.0 | 3.0 | |||||||
| JNH1254316W | 45 | 125 | 43 | M16 | 14.5*20 | 156 | 192 | 4 | 88.0 | 352.0 | 4.0 |
| JNH1254316M | 60 | 185.0 | 740.0 | 4.0 | |||||||
| JNH1505016W | 45 | 150 | 50 | M16 | 14*18 | 182 | 218 | 4 | 120.0 | 720.0 | 6.0 |
| JNH1505016M | 60 | 220.0 | 1320.0 | 6.0 | |||||||
| JNH1505020W | 45 | 150 | 50 | M20 | 14*18 | 182 | 218 | 4 | 120.0 | 720.0 | 6.0 |
| JNH1505020M | 60 | 220.0 | 1320.0 | 6.0 |
上海松夏減震器有限公司是到目前為止少有的上海老品牌減震器制造廠家,公司實力躋身全國前三,是減震器行業的翹楚,歡迎廣大新老客戶朋友來廠參觀考察,熱線電話021-60344211.來廠考察預約熱線:18317127770.
阻尼彈簧減震器的采用最優質的彈簧鋼,減振器效果可到95%以上,使用壽命也高達10年以上,具有鋼彈簧減振器的低頻率和阻尼大的雙重優點,消除鋼彈簧固有的共振振幅現象。其中單只荷載15kg-4800kg各類荷載所應對的固有頻率1.6Hz-4.9Hz,阻尼比0.065。;減少管道的震動;吸收噪音;使之成為良好的管道配件產品。
彈簧減震器產品廣泛運用于各種水泵機組設備底座使用;常見的用途體現在泵房管道、鍛壓機床、干式變壓器、冷卻水塔、空調主機、消防設備、大型減震機械、水泵底座、機電設備、發電廠設備、鼓風機設備等等建筑行業、機電行業、工程安裝公司。
彈簧減震器按形式可分為:水泵專用ZTA型彈簧減震器、風機專用JB型彈簧減震器、干式變壓器專用ZTF-2型減震器、冷卻水塔專用ZTF-4型彈簧減震器,電機專用JNH型減震器、柴油機組專用BE型減震器、管理吊架專用ZTY型吊式減震器等等
橡膠空氣彈簧離散系統彎曲剛度 橡膠空氣彈簧能夠獲得離散系統彎曲剛度對振動周期的危害。因為離散系統要素的存有,在低頻率區要發生多周期時間狀況,而在高頻率區影響不大。規…
直銷橡膠空氣彈簧的安裝與更換空氣彈簧行業隨著市場演變而不斷發展變化,注重創新、走品牌化發展之路是大勢所趨。在產品研發設計上,已由過去風格雷同、偏重實用功能,朝著能…
無錫空氣彈簧生產過程空氣彈簧生產線縮短了投資回本周期,為以后的穩定盈利奠定了堅實的基礎。原料容易獲得,可用于生產機制砂,砂的利潤真的很高嗎?如果空氣彈簧能夠穩定地…

ZF型自封式橡膠氣囊(沖床設備專用)介紹: 自封式,是因其無需外力自行密封而得名。如圖,用纖維層做補強處理的橡膠曲囊①在使用時,將防止膨脹的鋼制(鍍鋅)腰環②嵌在其中。③蓋..

ZF型自封式橡膠氣囊(沖床設備專用)介紹: 自封式,是因其無需外力自行密封而得名。如圖,用纖維層做補強處理的橡膠曲囊①在使用時,將防止膨脹的鋼制(鍍鋅)腰環②嵌在其中。③蓋..

K100-1氣動避震改裝專用橡膠氣囊 K100-1氣動避震專用氣囊小巧耐用的產品資訊。上海松夏AIRBFT一直致力于氣動避震懸掛的改裝和研發,因為一些車型的安裝空間有限,所以研發一款外徑更..

ZF型自封式橡膠氣囊(沖床設備專用)介紹: 自封式,是因其無需外力自行密封而得名。如圖,用纖維層做補強處理的橡膠曲囊①在使用時,將防止膨脹的鋼制(鍍鋅)腰環②嵌在其中。③蓋..
全國免費咨詢熱線:17317317121
上海松夏減震器有限公司 滬ICP備09066468號-13 網站地圖 站點地圖